A boiler in one form or another will be found on every type of ship. Where the main machinery is steam-powered, one or more large water boilers will be fitted to produce steam at very high temperatures and pressures. On a diesel main machinery vessel, a smaller (usually firetube type) boiler will be fitted to provide steam for the various ship services. Even within the two basic design types, watertube and firetube, a variety of designs and variations exist.
A boiler is used to heat-feed water to produce steam. The energy released by the burning fuel in the boiler furnace is stored (as temperature and pressure) in the steam produced. All boilers have a furnace or combustion chamber where fuel is burnt to release its energy. Air is supplied to the boiler furnace to enable combustion of the fuel to take place. A large surface area between the combustion chamber and the water enables the energy of combustion, in the form of heat, to be transferred to the water.
Must read >> Types Of Boiler
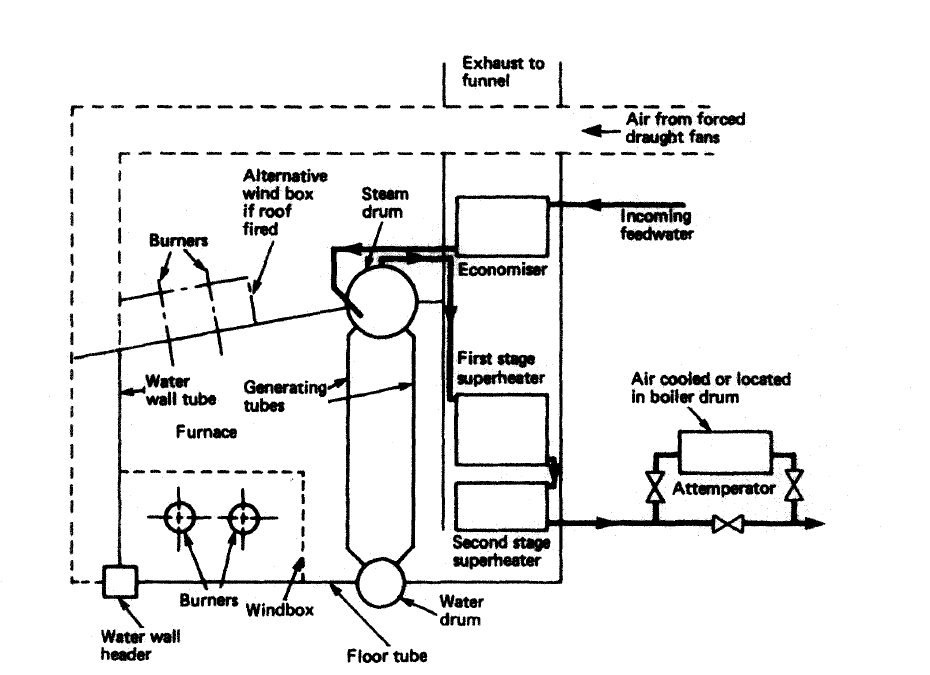
A drum must be provided where steam and water can separate. There must also be a variety of fittings and controls to ensure that fuel oil, air and feedwater supplies are matched to the demand for steam. Finally, there must be several fittings or mountings which ensure the safe operation of the boiler. In the steam generation process, the feedwater enters the boiler where it is heated and becomes steam.
The feedwater circulates from the steam drum to the water drum and is heated. Some of the feedwater passes through tubes surrounding the furnace, i.e. water and floor tubes, where it is heated and returned to the steam drum. Large-bore downcomer tubes are used to circulate feedwater between the drums. The downcomer tubes pass outside the furnace and join the steam and water drums.
The steam is produced in a steam drum and may be drawn off for use from here. It is known as wet or saturated steam in this condition because it will contain small quantities of water, Alternatively, the steam may pass to a superheater which is located within the boiler. Here steam is further heated and dried, i.e. all traces of water are converted into steam. This superheated steam then leaves the boiler for use in the system.
Also read >> Definition Of Reheat Turbin
The temperature of superheated steam will be above that of the steam in the drum. An 'attemperator', i.e. a steam cooler, may be fitted into the system to control the superheated steam temperature. The hot gases produced in the furnace are used to heat the feedwater to produce steam and also to superheat the steam from the boiler drum. The gases then pass over an economiser through which the feedwater passes before it enters the boiler.
The exhaust gases may also pass over an air heater which warms the combustion air before it enters the furnace. In this way, a large proportion of the heat energy from the hot gases is used before they are exhausted from the funnel.

Post a Comment